Belt conveyor,RTO,Vacuum Pump,Machining Center,hydraulic cylinder,Motor,Agricultural parts,Air compressor,PTO shaft,Gear,V-belt pulley,Timing pulley,Coupling,Chains,Sprocket,Agricultural gearbox,Gearbox/gear reducer,Ungrouped


DCG32L-0.4KW | |||
Reduction Ratio i | Output Shaft Speed n (rpm) | Output Shaft Torque Tr (N·m) | Allowable Radial Force Fr (N) |
5 | 280 | 10.23 | 2800 |
7.5 | 186.67 | 15.35 | 2890 |
10 | 140 | 20.46 | 2980 |
12.5 | 112 | 25.58 | 3070 |
15 | 93.33 | 30.69 | 3160 |
20 | 70 | 40.92 | 3250 |
30 | 46.67 | 61.39 | 3340 |
40 | 35 | 81.85 | 3430 |
50 | 28 | 102.31 | 3520 |
60 | 23.33 | 122.77 | 3610 |
80 | 17.5 | 163.7 | 3720 |
100 | 14 | 204.62 | 3720 |
120 | 11.67 | 245.55 | 3720 |
160 | 8.75 | 327.39 | 3720 |
200 | 7 | 327.39 | 3720 |
240 | 5.83 | 327.39 | 3720 |
DCG32L-0.75KW | |||
Reduction Ratio i | Output Shaft Speed n (rpm) | Output Shaft Torque Tr (N·m) | Allowable Radial Force Fr (N) |
5 | 280 | 19.18 | 2800 |
7.5 | 186.67 | 28.77 | 2890 |
10 | 140 | 38.37 | 2980 |
12.5 | 112 | 47.96 | 3070 |
15 | 93.33 | 57.55 | 3160 |
20 | 70 | 76.73 | 3250 |
30 | 46.67 | 115.1 | 3340 |
40 | 35 | 153.47 | 3430 |
50 | 28 | 191.83 | 3520 |
60 | 23.33 | 230.2 | 3610 |


DCG40L-0.75KW | |||
Reduction Ratio i | Output Shaft Speed n (rpm) | Output Shaft Torque Tr (N·m) | Allowable Radial Force Fr (N) |
5 | 280 | 19.18 | 3600 |
7.5 | 186.67 | 28.77 | 3700 |
10 | 140 | 38.37 | 3800 |
12.5 | 112 | 47.96 | 3900 |
15 | 93.33 | 57.55 | 4000 |
20 | 70 | 76.73 | 4100 |
30 | 46.67 | 115.1 | 4200 |
40 | 35 | 153.47 | 4300 |
50 | 28 | 191.83 | 4400 |
60 | 23.33 | 230.2 | 4500 |
80 | 17.5 | 306.93 | 4600 |
100 | 14 | 383.67 | 4600 |
120 | 11.67 | 460.4 | 4600 |
160 | 8.75 | 613.86 | 4600 |
200 | 7 | 613.86 | 4600 |
240 | 5.83 | 613.86 | 4600 |
DCG40L-1.1KW | |||
Reduction Ratio i | Output Shaft Speed n (rpm) | Output Shaft Torque Tr (N·m) | Allowable Radial Force Fr (N) |
5 | 280 | 28.14 | 3600 |
7.5 | 186.67 | 42.2 | 3700 |
10 | 140 | 56.27 | 3800 |
12.5 | 112 | 70.34 | 3900 |
15 | 93.33 | 84.41 | 4000 |
20 | 70 | 112.54 | 4100 |
30 | 46.67 | 168.81 | 4200 |
40 | 35 | 225.08 | 4300 |
50 | 28 | 281.35 | 4400 |
60 | 23.33 | 337.63 | 4500 |

Application |
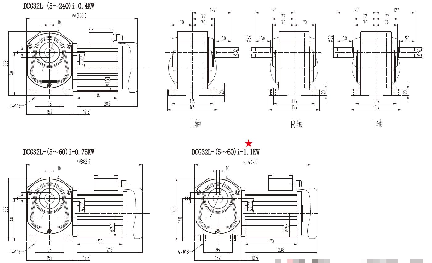
Standard definition of output shaft direction and terminal box location |

Technical Specifications |









1BJY-324 4000LBS Capacity New Condition 12v Motor Trailer Electric Jack Parts and Accessories
1BJY-HM-30 Chrome Ball Multi-Ball Mount New Condition Trailer Parts and Accessories with Clevis Hook Capacity 5000lbs
1BJY-A05 New Australian Coupler Equipped 3500KG Capacity Trailer Parts and Accessories with 50mm Ball Size
Customized 40 Short Pitch Stainless Steel Extended Pin Roller Chain and Sprockets for Restaurant Industries
XG-4 High Quality Customized Rotary Tiller Blade Agricultural Machinery Part for Rotary Tiller Machine
1BJY-TJ-15 New Weld-On Pipe-Mount Trailer Jack 5000LBS Capacity with Parts and Accessories Featuring Swivel Feature