Raydafon Technology Group Co.,Limited

Belt conveyor,RTO,Vacuum Pump,Machining Center,hydraulic cylinder,Motor,Agricultural parts,Air compressor,PTO shaft,Gear,V-belt pulley,Timing pulley,Coupling,Chains,Sprocket,Agricultural gearbox,Gearbox/gear reducer,Ungrouped

Conveyor Belt Comb Transition Plate Engineering Plastic Mesh Belt Chain

Conveyor Belt Comb Transition Plate Engineering Plastic Mesh Belt Chain

#detail_decorate_root .magic-0{border-bottom-style:solid;border-bottom-color:#53647a;font-family:Roboto;font-size:24px;color:#53647a;font-style:normal;border-bottom-width:2px;padding-top:8px;padding-bottom:4px}#detail_decorate_root .magic-1{vertical-align:top}#detail_decorate_root .magic-2{padding:0......Keywords:Conveyor Belt Comb Transition Plate Engineering Plastic Mesh Belt Chain - Buy Conveyor Belt Comb Transition Plate Engineering Plastic Mesh Belt Chain Product on CMN Industry Inc

Send Inquiry

Product Description

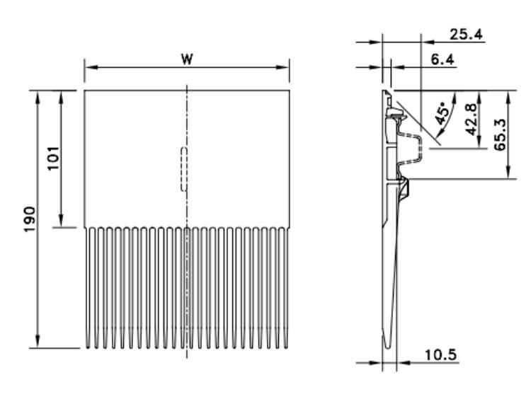
Flat Belt Dynamic Transfer Finger Plate for Conveyor Belt Chain Mesh

Flat Belt Dynamic Transfer Finger Plate for Conveyor Belt Chain Mesh is an innovative accessory designed specifically for efficient material transfer. It adopts a flat finger design, which can flexibly perform dynamic transfer on the conveyor belt, ensuring smooth and continuous material movement. This finger board is suitable for various types of conveyor belts and chain mesh belts, especially for applications that require precise alignment and quick conversion, such as food processing, packaging, and logistics industries. Its durable materials provide excellent wear resistance and long lifespan, ensuring stable operation even under high load conditions. In addition, the finger board is easy to install and maintain, reducing downtime and improving production efficiency. Choose this fingerboard to enhance the performance of your transmission system.
Conveyor Belt Comb Transition Plate Engineering Plastic Mesh Belt Chain
Conveyor Belt Comb Transition Plate Engineering Plastic Mesh Belt Chain
Conveyor Belt Comb Transition Plate Engineering Plastic Mesh Belt Chain
Applications:

Widely used in food processing, packaging machinery, logistics conveying systems and other fields, especially suitable for occasions requiring continuous turning and high load capacity.
Conveyor Belt Comb Transition Plate Engineering Plastic Mesh Belt Chain
Conveyor Belt Comb Transition Plate Engineering Plastic Mesh Belt Chain
Conveyor Belt Comb Transition Plate Engineering Plastic Mesh Belt Chain
Conveyor Belt Comb Transition Plate Engineering Plastic Mesh Belt Chain
Hangzhou Ever-Power Chain Transmission Co., Ltd. was founded in 1975 and is affiliated to Hangzhou Ever-Power Transmission Group. It is the vice chairman unit of the Chain Transmission Branch of China General Machinery Parts Industry Association. Hangzhou Ever-Power Chain covers an area of 110,000 square meters and a building area of 70,000 square meters. There are more than 600 employees and more than 70 R&D personnel. It has 500 sets of production and testing equipment, assets of 350 million yuan, and an annual output of nearly 20,000 tons of various chains. In 1980, Hangzhou Ever-Power Chain produced the first Hangzhou Ever-Power brand stainless steel flat top chain. Since then, it has been committed to providing safe, reliable and efficient products and services to the beer and beverage industry, which has become the unswerving pursuit of Ever-Power Chain.
Conveyor Belt Comb Transition Plate Engineering Plastic Mesh Belt Chain
Conveyor Belt Comb Transition Plate Engineering Plastic Mesh Belt Chain
Conveyor Belt Comb Transition Plate Engineering Plastic Mesh Belt Chain
Conveyor Belt Comb Transition Plate Engineering Plastic Mesh Belt Chain
Conveyor Belt Comb Transition Plate Engineering Plastic Mesh Belt Chain
Conveyor Belt Comb Transition Plate Engineering Plastic Mesh Belt Chain

Product Tag

Buyer Services
How to buy
Browse by catagories
Browse by Companies
B2B Articles
Seller Services
How to sell
Trade Opportunities
Post Products
Manage Products
Services
Latest Souring Requests
Product Update
China Suppliers Mobile Site
About
About us
Link to us
Contact us
Site map