Raydafon Technology Group Co.,Limited

Belt conveyor,RTO,Vacuum Pump,Machining Center,hydraulic cylinder,Motor,Agricultural parts,Air compressor,PTO shaft,Gear,V-belt pulley,Timing pulley,Coupling,Chains,Sprocket,Agricultural gearbox,Gearbox/gear reducer,Ungrouped

FWA Series FWA19 Slewing Drive Gearbox Slewing Drive for Truck Mounted Crane

FWA Series FWA19 Slewing Drive Gearbox Slewing Drive for Truck Mounted Crane

#detail_decorate_root .magic-0{width:750px}#detail_decorate_root .magic-1{overflow:hidden;width:750px;height:336px;margin-top:0;margin-bottom:0;margin-left:0;margin-right:0}#detail_decorate_root .magic-2{margin-top:-11px;margin-left:171px;width:380px;height:360px}#detail_decorate_root .magic-3{borde......Keywords:Fwa Series Fwa19 Slewing Drive Gearbox Slewing Drive For Truck Mounted Crane - Buy Slewing Drive For Truck Mounted Crane slewing Drive fwa Series Fwa19 Gearbox Product on CMN Industry Inc

Send Inquiry

Product Description

FWA Series FWA19 Slewing Drive Gearbox Slewing Drive for Truck Mounted Crane

FWA Series FWA19 Slewing Drive Gearbox Slewing Drive For Truck Mounted Crane

Slewing Drive Gearboxes Slewing drive gearboxes are used for excavators and all types of mobile cranes. They are also used in harbour cranes and deck cranes. These gearboxes can have positive or negative brakes. They are available with different types of slew pinions. These are a great choice for cranes that are used in construction or demolition sites. Slewing drive gearboxes are very versatile and are perfect for any application. A slewing drive is a fully assembled gearbox with a roller or ball slewing ring. The slewing ring is designed to absorb axial, radial and titling forces. It can also be driven by hydraulic motors or electric motors. Transdrive A Slewing drive gearbox is the ideal solution for high-torque applications. This type of gearbox uses a worm gear, which has multiple teeth that mesh with each other to create rotational torque. These drives are enclosed in aluminum or cast iron housings. They are characterized by their high torque output and low backlash. Depending on the capacity and load requirements, Slewing drives can be used for various industrial processes. Coresun Drive The PE Series slewing drive is a high-precision solution for your slewing applications. The drive's sensitivity allows it to operate at 0.05 to 0.15 degrees of tilt. It also features a low-resistance clutch, which helps to reduce noise and vibration. The PE Series has been designed to reduce overall cost and weight while preserving precision and efficiency. In addition, it is suitable for a variety of applications, including wind turbines and ship propulsion systems. FWA Series The FWA Series slewing drive gear box is designed to provide precision and durability for applications requiring high torque at low speeds. Its zero-backlash design and smooth component operation make it ideal for use in different fields where similar functionality is required. Its rugged design provides protection against corrosion and extreme environments. These slewing drives are designed with high-strength steel or phosphor bronze gears. PS Series The slewing drive gearbox for PS Series is an important component of industrial equipment. This gear reducer is available in a variety of forms and is often used in planetary gearboxes. These slewing drives can be used in automotive applications, mixing machines, laundry washers, and other high-speed machinery. This gearbox is available in different sizes, and is compatible with different types of motors. SR Series The SR Series Slewing drive gearbox is a versatile product that improves performance of many types of equipment. These units can be used in a wide variety of applications where maximum torque and speed are required. Their unique hourglass configuration allows for a higher number of gear teeth to interact with each other, increasing their efficiency and torque generation. SR Series Slewing drive gearboxes are ideal for applications requiring high torque, precision positioning, and low backlash. RS Series Slewing drives are a special type of gearbox that are designed to safely hold axial and radial loads. They can also provide high rotational torque. These gearboxes are constructed with a worm gear mechanism and metal ball bearing component, as well as rubber seals and a sturdy housing. The drive shaft and gears are assembled into a finished gearbox that is suitable for many different applications. SS Series The SS Series Slewing drive gearbox has been designed for heavy-duty applications that require precision and power density. These units are compact and have high power density, which makes them a great choice for space-constrained applications. The gear design greatly influences load-carrying capacity. Single-row raceways occupy the lower portions of the performance curve, while double and cross-roller raceways offer greater performance. The design also affects the torque carrying capacity and overall rotation smoothness.
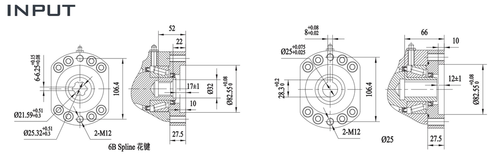
Output torque
Lifting moment torque
Holding torque
Axial load
Radial load
Ratio
Backlash
Weight
18.5 KN.M
196 KN.M
82 KN.M
1810 KN
675 KN
94:1
≤0.1°
120kg
13640 LBF.FT
144.5*10³ LBF.FT
62.5*10³ LBF.FT
406*10³ LBF
151.7*10³ LBF
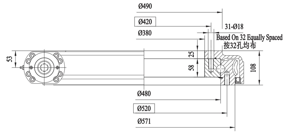
Front View
FWA Series FWA19 Slewing Drive Gearbox Slewing Drive for Truck Mounted Crane

Top View
FWA Series FWA19 Slewing Drive Gearbox Slewing Drive for Truck Mounted Crane
FWA Series FWA19 Slewing Drive Gearbox Slewing Drive for Truck Mounted Crane
FWA Series FWA19 Slewing Drive Gearbox Slewing Drive for Truck Mounted Crane
Note: customized design can be carried out according to customer requirements
Application
FWA Series FWA19 Slewing Drive Gearbox Slewing Drive for Truck Mounted Crane
FWA Series FWA19 Slewing Drive Gearbox Slewing Drive for Truck Mounted Crane
hzpt slewing drive is a gearbox designed to handle radial or axial loads using high rotational torque. In addition, the slewing ring bearing, at the heart of the drive, enables it to withstand high overhung or moment loads. A descendant of the "worm" screw, slewing drives are present in construction machinery, manufacturing, equipment and many other applications that require strength and precision.
The physics of the slew drive makes it a versatile solution for many applications. In operation, the slew drive's axial movement, or motion around its axis, interacts to create radial torque. The action occurs by meshing the grooves of the horizontal screw with the teeth of a perpendicular gear. While turning, the worm gear's axial movement transfers magnified torque force to the radial gear. The number of threads on the horizontal screw and the number of gears that interact will determine the speed ratio of the setup.
Slewing drives are available in many configurations depending on the task at hand. These may be single-axis or dual-axis turning in unison.
An hourglass configuration expands the capability from a single gear tooth to as many as 11 to create rotational torque by
contacting the worm screw. Multiple gear teeth interacting at once allows the equipment to be more efficient and generate more torque.
Slew drives work best for applications in which high torque can create precision positioning and rotational accuracy. This design results in a device which works smoothly and powerfully with minimal backlash.
Because of the power and dependability generated by slew drive technology, the functions of this engineering technology apply to many types of equipment. One particular use, for example, involves solar technology, tracking the sun's movements in perfect time to generate maximum energy output.
Any job requiring high load capacity and reliable positioning may require the implementation of slewing drive engineering.
Robust, smooth and consistent, slew drives have a distinct place in manufacturing, construction and many other venues. Based on a centuries-old engineering idea, slew drive-operated equipment can be simple or complex, depending upon the requirements.
Adding hydraulic, pneumatic or electric motors to single, double or hourglass design depends on the application. Other features such as brakes or self-locking features and open or closed chassis are among many options.
The list of active applications for slew drives is extensive. Several types of industries require some form of slew drive to make their operations more efficient. Equipment for mining, construction, metalworking and other applications that require unrelenting strength combined with faultless precision use slewing technology for safety and accuracy.
Powerful devices like aerial lifts, rotating forklifts, truck-mounted cranes, cable winders, fire trucks, hydraulic machinery and utility equipment depend on the safety and strength of slew drives.
Precision devices such as equipment, satellite dishes, solar trackers, printing presses and telescopic devices benefit from the absolute precision that slewing drives provide to be effective.
To judge what kind of slewing drive you need,you have to clear out the configuration of the slew drive and the purpose of the equipment, each unit will have differing specifications. When defining the type and capability of the slew drive, the following variables are calculated:
Gear ratios
Precision
Weight
Output
Tilting moment
Torque
Dynamic and static axial
Radial dynamic
For more details, please click here to contact us!
FWA Series FWA19 Slewing Drive Gearbox Slewing Drive for Truck Mounted Crane
FWA Series FWA19 Slewing Drive Gearbox Slewing Drive for Truck Mounted Crane
Q: Are you trading company or manufacturer ? A: Our group consists in 3 factories and 2 abroad sales corporations. Q: Do you provide samples ? is it free or extra ? A: Yes, we could offer the sample for free charge but do not pay the cost of freight. Q: How long is your delivery time ? What is your terms of payment ? A: Generally it is 40-45 days. The time may vary depending on the product and the level of customization. For standard products, the payment is: 30% T/T in advance ,balance before shippment. Q: What is the exact MOQ or price for your product ? A: As an OEM company, we can provide and adapt our products to a wide range of needs.Thus, MOQ and price may greatly vary with size, material and further specifications; For instance, costly products or standard products will usually have a lower MOQ. Please contact us with all relevant details to get the most accurate quotation. If you have another question, please feel free to contact us.
FOR MORE DETAIL, PLEASE CONTACT US.
FWA Series FWA19 Slewing Drive Gearbox Slewing Drive for Truck Mounted Crane

Product Tag

Buyer Services
How to buy
Browse by catagories
Browse by Companies
B2B Articles
Seller Services
How to sell
Trade Opportunities
Post Products
Manage Products
Services
Latest Souring Requests
Product Update
China Suppliers Mobile Site
About
About us
Link to us
Contact us
Site map