Note
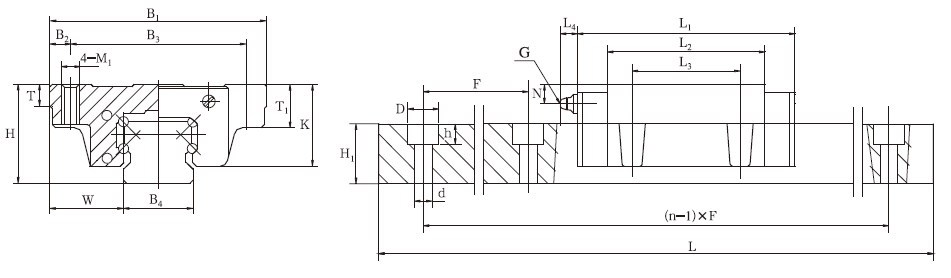
1 . Ma , Ma , Me are shown in right-under diagram , each indicates ratedtorque value of one block .
2 . Lme is the maximum length of one rail , please contact if need rail joint
3 . Distance from both ends to the mounting hole in one rail is equal f withouspecial request
4 . There is no baffle of both ends of GGB35-85 rails , please note if you need
5 . Please note if need oil of side surface
6 . Because of the height difference of GGB25AA / AAL and height & holedistance difference of GGB45A / AAL , we classify with I and IL , Il is therecommended one























