Raydafon Technology Group Co.,Limited

Belt conveyor,RTO,Vacuum Pump,Machining Center,hydraulic cylinder,Motor,Agricultural parts,Air compressor,PTO shaft,Gear,V-belt pulley,Timing pulley,Coupling,Chains,Sprocket,Agricultural gearbox,Gearbox/gear reducer,Ungrouped

Guaranteed Quality Snake Grid Flexible Coupling Casing Axial Mount Grid Coupling

Guaranteed Quality Snake Grid Flexible Coupling Casing Axial Mount Grid Coupling

#detail_decorate_root .magic-0{border-bottom-style:solid;border-bottom-color:#53647a;font-family:Roboto;font-size:24px;color:#53647a;font-style:normal;border-bottom-width:2px;padding-top:8px;padding-bottom:4px}#detail_decorate_root .magic-1{vertical-align:top}#detail_decorate_root .magic-2{padding:0......Keywords:Guaranteed Quality Snake Grid Flexible Coupling Casing Axial Mount Grid Coupling - Buy Grid Flexible Coupling grid Coupling shaft Coupling falk Grid Coupling steelflex Coupling falk Steelflex Grid Coupling casing Axial Mount Grid Coupling snake Grid Flexible Coupling guaranteed Quality Snake Grid Flexible Coupling Casing Axial Mount Grid Coupling Product on CMN Industry Inc

Send Inquiry

Product Description


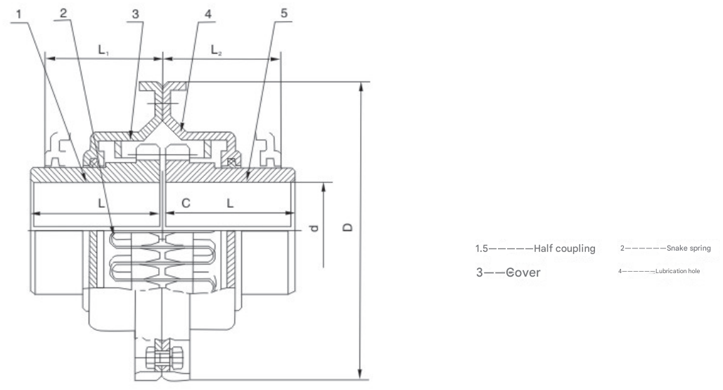
Grid coupling is a advanced structural coupling of metal flexible coupling, which depend on two and a half snake spring embedded within the alveolar coupling to transfer torque, mainly by the two half-coupling, two half-housings, two seals and serpentine springs slices.

Features of JSB grid coupling:

1.Vertical split cover design,ideal for higher operating speeds
2.Allows easy access to the grid spring
3.Cover is manufactured from stamped steel for strength
4.Designed for ease of maintenance and grid spring replacement
5.High tensile grid springs ensure superior coupling performance and longer coupling life

Guaranteed Quality Snake Grid Flexible Coupling Casing Axial Mount Grid Coupling
Guaranteed Quality Snake Grid Flexible Coupling Casing Axial Mount Grid Coupling
Working principle and using life Grid coupling to the axial coupling of the alveolar embedded within two and a half to realize driving shaft and driven shaft of the connection. Running depends on the original fixed-side tooth face of the circumferential spring force driving the driven-side transmission torque, so the (phthalate extent to avoid the resonance phenomenon, and the reed in the transmission torque generated when the elastic deformation, so that the mechanical system to obtain better vibration reduction, the average damping rate of 36%. Serpentine spring high quality spring steel, by the strict processing, handling, good mechanical properties, so that the life of the coupling ratio of non-metallic flexible element coupling increases exponentially.

Positive protection against the damaging effects of shock loads, impact loads and vibration.
Ever power grid coupling is torsionally flexible. The circumferential flexibility is progressive due to the curved profile of the
grooves – ‘state-of-the-art’ in resilient coupling design.


Transfer efficiency, starting safety Transmission efficiency is 99.47%, the short-term overload capacity of twice the rated torque, safe and reliable operation. Simple structure, easy disassembly Small parts, small size, light weight, snake spring to be made up of two or three or more members, so that disassembly, maintenance is more convenient than other couplings.
Guaranteed Quality Snake Grid Flexible Coupling Casing Axial Mount Grid Coupling
Accommodating Shaft Misalignment and End-Float Ever power grid coupling will accommodate combinations of misalignment present at set-up or occurring during machine displacement, settlement, etc. Limited End-Float kits are available on request.
Guaranteed Quality Snake Grid Flexible Coupling Casing Axial Mount Grid Coupling
Installation
Guaranteed Quality Snake Grid Flexible Coupling Casing Axial Mount Grid Coupling
For more details, please click here to contact us!
Guaranteed Quality Snake Grid Flexible Coupling Casing Axial Mount Grid Coupling
Our company is a large-scale expert company with mechanical transmission design, manufacting and marketing. Our compay has the first-class production equipment in China and advanced QC measurement, together with a highly qualified team. Over the years, to meet the reauirements of customers, we insist in" high quality, good faith" and attract high-tech talents,d igest assimilate advancecl foreign technology, constant innovation, producting a large number of high-tech, high-quality transmission machine. Our company is not only widely recognized by customers, but also a fresh power in national transmission industry. We have built complete quality and management guarantee, obtained the ISO9001 certificat. So far we own more than 8 series, total over 300types of shaft coupling, more than 20 series, total thousand types of coupling sleeve. We also can produce special size products cater to requirement of customers. These products are widely used in metallurgical, chemical, printing, pumps, fans, transport machinery, and other fiels, and exports to the Far East and Southeast Asia. We believe that superior quality is the basis of mutual benefit and trust to broaden win-win economic cooper. Welome the masses of old and new customers to patronize cordially!
Guaranteed Quality Snake Grid Flexible Coupling Casing Axial Mount Grid Coupling
Guaranteed Quality Snake Grid Flexible Coupling Casing Axial Mount Grid Coupling
Q: Are you trading company or manufacturer ? A: Our group consists in 3 factories and 2 abroad sales corporations. Q: Do you provide samples ? is it free or extra ? A: Yes, we could offer the sample for free charge but do not pay the cost of freight. Q: How long is your delivery time ? What is your terms of payment ? A: Generally it is 40-45 days. The time may vary depending on the product and the level of customization. For standard products, the payment is: 30% T/T in advance ,balance before shippment. Q: What is the exact MOQ or price for your product ? A: As an OEM company, we can provide and adapt our products to a wide range of needs.Thus, MOQ and price may greatly vary with size, material and further specifications; For instance, costly products or standard products will usually have a lower MOQ. Please contact us with all relevant details to get the most accurate quotation. If you have another question, please feel free to contact us.
FOR MORE DETAIL, PLEASE CONTACT US.
Guaranteed Quality Snake Grid Flexible Coupling Casing Axial Mount Grid Coupling

Product Tag

Buyer Services
How to buy
Browse by catagories
Browse by Companies
B2B Articles
Seller Services
How to sell
Trade Opportunities
Post Products
Manage Products
Services
Latest Souring Requests
Product Update
China Suppliers Mobile Site
About
About us
Link to us
Contact us
Site map