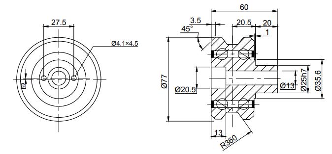
Precision-engineered roller for V-type guideways, made from hardened alloy steel with fine grinding and heat treatment. Offers
excellent wear resistance, smooth rolling performance, and long-term reliability in high-load, high-precision machine tool
applications.




























