Belt conveyor,RTO,Vacuum Pump,Machining Center,hydraulic cylinder,Motor,Agricultural parts,Air compressor,PTO shaft,Gear,V-belt pulley,Timing pulley,Coupling,Chains,Sprocket,Agricultural gearbox,Gearbox/gear reducer,Ungrouped





Chain Size | P Pitch (inch) | Links In 10¢ | Avg. Ult. Strength | Dimensions (inches) | ||||
Inside Width D | Thickness T | Width Overall W | ||||||
AL67 T-Bar | 2.550 | 47 | 16,000 lbs. | 1.093 | .312 | 2.000 | ||
AL88 T-Bar | 2.773 | 43 | 16,000 lbs. | 1.093 | .312 | 2.000 | ||
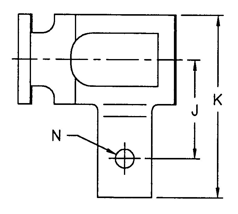
Att. No. | Chain No. | Dimensions | ||||||||
J | K | M | N | T | ||||||
AS | AL67 T-Bar | 2.031 | 3.750 | 1.125 | .328 | .312 | ||||
A1 | AL67 T-Bar | 2.031 | 3.750 | 1.125 | .391 | .312 | ||||
A2 | AL67 T-Bar | 2.031 | 3.750 | 1.125 | .453 | .312 | ||||
Please click on the photos below to visit their websites.





We can accept a variety of payment.
1) TT, 30% deposit , 70% before shippment.
2) L/C at sight. (high bank charge, not suggest , but acceptable )
3) 100% Western Union in advance. (specially for air shipment or small amoun)
4) Small order by paypal.
1BJY-324 4000LBS Capacity New Condition 12v Motor Trailer Electric Jack Parts and Accessories
1BJY-HM-30 Chrome Ball Multi-Ball Mount New Condition Trailer Parts and Accessories with Clevis Hook Capacity 5000lbs
1BJY-A05 New Australian Coupler Equipped 3500KG Capacity Trailer Parts and Accessories with 50mm Ball Size
Customized 40 Short Pitch Stainless Steel Extended Pin Roller Chain and Sprockets for Restaurant Industries
XG-4 High Quality Customized Rotary Tiller Blade Agricultural Machinery Part for Rotary Tiller Machine
1BJY-TJ-15 New Weld-On Pipe-Mount Trailer Jack 5000LBS Capacity with Parts and Accessories Featuring Swivel Feature