---Optimized control rotary valve design, superior performance
---Low hydraulic noise
---Casting inner channel design, small pressure loss
---Three basic types: open core, closed core and load sensing
Belt conveyor,RTO,Vacuum Pump,Machining Center,hydraulic cylinder,Motor,Agricultural parts,Air compressor,PTO shaft,Gear,V-belt pulley,Timing pulley,Coupling,Chains,Sprocket,Agricultural gearbox,Gearbox/gear reducer,Ungrouped


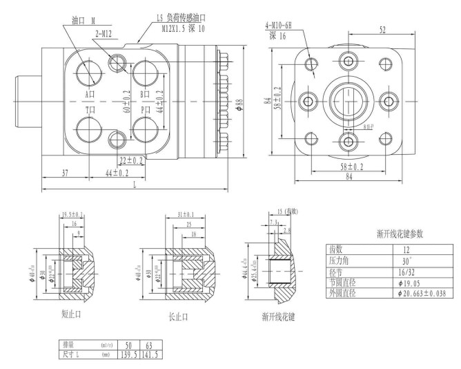
Product Features | Displacement/No. | ||||||
Type | Connection | Oil port | 50 | 63 | |||
Open core No reaction | Short stop | 4-M20X1.5 4-M10 2-M12 | S50-1101 | -1102 | |||
Long stop | S50-1201 | -1202 | |||||
Internal spline | S50-1301 | -1302 | |||||
Open core No reaction | Short stop | 4-G1/2 4-M10 2-M12 | S50-1111 | -1112 | |||
Long stop | S50-1211 | -1212 | |||||
Internal spline | S50-1311 | -1312 | |||||
Closed core No reaction | Short stop | 3/4-16UNF 'O'-ring 4-M10 2-M12 | S50-3131 | -3132 | |||
Long stop | S50-3231 | -3232 | |||||
Internal spline | S50-3331 | -3332 | |||||
Static signal load sensing | Short stop | 4-M20X1.5&M12X1.5 4-M10 2-M12 | S50-5101 | -5102 | |||
Long stop | S50-5201 | -5202 | |||||
Internal spline | S50-5301 | -5302 | |||||
Dynamic signal load sensing | Short stop | 4-G1/2&M12X1.5 4-M10 2-M12 | S50-7111 | -7112 | |||
Long stop | S50-7211 | -7212 | |||||
Internal spline | S50-7311 | -7312 | |||||




1BJY-324 4000LBS Capacity New Condition 12v Motor Trailer Electric Jack Parts and Accessories
1BJY-HM-30 Chrome Ball Multi-Ball Mount New Condition Trailer Parts and Accessories with Clevis Hook Capacity 5000lbs
1BJY-A05 New Australian Coupler Equipped 3500KG Capacity Trailer Parts and Accessories with 50mm Ball Size
Customized 40 Short Pitch Stainless Steel Extended Pin Roller Chain and Sprockets for Restaurant Industries
XG-4 High Quality Customized Rotary Tiller Blade Agricultural Machinery Part for Rotary Tiller Machine
1BJY-TJ-15 New Weld-On Pipe-Mount Trailer Jack 5000LBS Capacity with Parts and Accessories Featuring Swivel Feature