Raydafon Technology Group Co.,Limited

Belt conveyor,RTO,Vacuum Pump,Machining Center,hydraulic cylinder,Motor,Agricultural parts,Air compressor,PTO shaft,Gear,V-belt pulley,Timing pulley,Coupling,Chains,Sprocket,Agricultural gearbox,Gearbox/gear reducer,Ungrouped

No Flex Type Heavy Machinery Use Short Universal Couplings Whole Fork Universal Coupling with Spider

No Flex Type Heavy Machinery Use Short Universal Couplings Whole Fork Universal Coupling with Spider

#detail_decorate_root .magic-0{width:750px}#detail_decorate_root .magic-1{overflow:hidden;width:750px;height:449.851042701092px;margin-top:0;margin-bottom:0;margin-left:0;margin-right:0}#detail_decorate_root .magic-2{margin-top:0;margin-left:0;width:750px;height:449.851042701092px}#detail_decorate_r......Keywords:No Flex Type Heavy Machinery Use Short Universal Couplings Whole Fork Universal Coupling With Spider - Buy Universal Coupling universal Joint Coupling flexible Coupling universal Coupling With Spider lovejoy Universal Joint universal Joint Coupling universal Flange Coupling whole Fork Universal Couplings With Spider long Flex Welding Type Universal Coupling no Flex Type Heavy Machinery Use Short Universal Couplings Whole Fork Universal Coupling With Spider Product on CMN Industry Inc

Send Inquiry

Product Description

No Flex Type Heavy Machinery Use Short Universal Couplings Whole Fork Universal Coupling with Spider
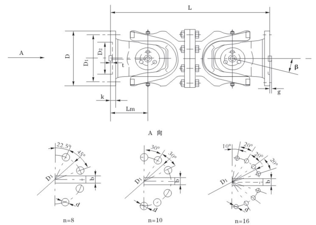
Scope of application SWC universal couplings are mainly used in steel rolling machinery, lifting machinery and other heavy machinery; Links two transmission shaft with different axis. Gyration diameter:φ58~ φ620 Nominal toraue: 0.15~1000kN.m Axis angle: ≤25°
No Flex Type Heavy Machinery Use Short Universal Couplings Whole Fork Universal Coupling with Spider
No Flex Type Heavy Machinery Use Short Universal Couplings Whole Fork Universal Coupling with Spider
Constructional Feature 1. Reasonable structure, safe and reliable use. The use of an integral fork eliminates the weak link of bolts pressing the bearing seat (cover). It completely avoids the common malicious damage caused by loose or broken bolts. The service life is increased by 30%-50% compared with other types of couplings. 2. Bearing heavier weight. 3. Transmission efficiency is as high as 98.6%. It is used for high-power transmission, significantly saving energy and reducing power consumption. 4. Smooth transmission and low noise. The general noise is 30-40dB(A).
No Flex Type Heavy Machinery Use Short Universal Couplings Whole Fork Universal Coupling with Spider
Universal couplings with spider is one of the most general coupling in common use. (β≤5°~45°) It has big angular compensation ability, compact and reasonable configuration, high transmission efficiency. In Practical application, according to the size of transfer torsion, it is divided into heavy, medium, light and small style scaly according to the torque magnitude transmitted in practical application. Heavy style is mainly used to metallurgy, heavy machinery, petroleum, engineering, hoisting and so on, Medium and light style are mainly used in auto car, machine too. and light machinery. Small style is mainly used in rolling part, for example, precision and control machine. The main difference between the style of universal coupling are the change of axletree seat and spider with the different shape of frame. In order to guarantee the synchrony of principal and subordinate parts, it is mostly be adopted the pair type in practical application. The connection way of the pair are weld and flange bolt. Whole fork universal couplings with spider (JB/T5513-91) Part axletree universal couplings with spider (JB/T3241-91) Whole axletree universal couplings with spider (JB/T3242-93) Small style double, single universal couplings with Spider(JB/T5901-91) Small style flex universal couplings with spider
For more details, please click here to contact us!
No Flex Type Heavy Machinery Use Short Universal Couplings Whole Fork Universal Coupling with Spider
Our company is a large-scale expert company with mechanical transmission design, manufacting and marketing. Our compay has the first-class production equipment in China and advanced QC measurement, together with a highly qualified team. Over the years, to meet the reauirements of customers, we insist in" high quality, good faith" and attract high-tech talents,d igest assimilate advancecl foreign technology, constant innovation, producting a large number of high-tech, high-quality transmission machine. Our company is not only widely recognized by customers, but also a fresh power in national transmission industry. We have built complete quality and management guarantee, obtained the ISO9001 certificat. So far we own more than 8 series, total over 300types of shaft coupling, more than 20 series, total thousand types of coupling sleeve. We also can produce special size products cater to requirement of customers. These products are widely used in metallurgical, chemical, printing, pumps, fans, transport machinery, and other fiels, and exports to the Far East and Southeast Asia. We believe that superior quality is the basis of mutual benefit and trust to broaden win-win economic cooper. Welome the masses of old and new customers to patronize cordially!
No Flex Type Heavy Machinery Use Short Universal Couplings Whole Fork Universal Coupling with Spider
No Flex Type Heavy Machinery Use Short Universal Couplings Whole Fork Universal Coupling with Spider
Q: Are you trading company or manufacturer ? A: Our group consists in 3 factories and 2 abroad sales corporations. Q: Do you provide samples ? is it free or extra ? A: Yes, we could offer the sample for free charge but do not pay the cost of freight. Q: How long is your delivery time ? What is your terms of payment ? A: Generally it is 40-45 days. The time may vary depending on the product and the level of customization. For standard products, the payment is: 30% T/T in advance ,balance before shippment. Q: What is the exact MOQ or price for your product ? A: As an OEM company, we can provide and adapt our products to a wide range of needs.Thus, MOQ and price may greatly vary with size, material and further specifications; For instance, costly products or standard products will usually have a lower MOQ. Please contact us with all relevant details to get the most accurate quotation. If you have another question, please feel free to contact us.
FOR MORE DETAIL, PLEASE CONTACT US.
No Flex Type Heavy Machinery Use Short Universal Couplings Whole Fork Universal Coupling with Spider

Product Tag

Buyer Services
How to buy
Browse by catagories
Browse by Companies
B2B Articles
Seller Services
How to sell
Trade Opportunities
Post Products
Manage Products
Services
Latest Souring Requests
Product Update
China Suppliers Mobile Site
About
About us
Link to us
Contact us
Site map