Belt conveyor,RTO,Vacuum Pump,Machining Center,hydraulic cylinder,Motor,Agricultural parts,Air compressor,PTO shaft,Gear,V-belt pulley,Timing pulley,Coupling,Chains,Sprocket,Agricultural gearbox,Gearbox/gear reducer,Ungrouped


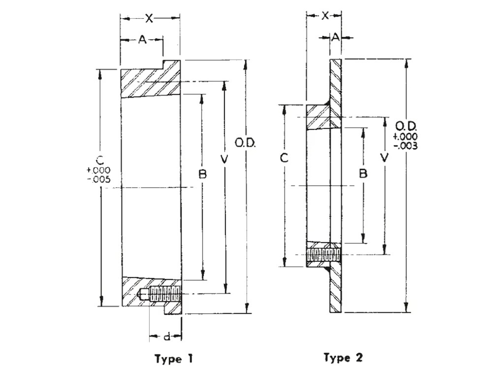
Part No. | XTH20 Hubs | ||
Dimensions | O.D. | 4 1/8" | |
A | 9/16" | ||
B | 2.688" | ||
C | 3 13/16" | ||
V | 3 3/16" | ||
X | 13/16" | ||
d | 13/16" | ||
No. | 4 | ||
Size | 5/16" - 18UNC | ||
Wt lbs. | 1.5 | ||

For more details, please click here to contact us! | ||||||||







FOR MORE DETAIL, PLEASE CONTACT US. |
