Belt conveyor,RTO,Vacuum Pump,Machining Center,hydraulic cylinder,Motor,Agricultural parts,Air compressor,PTO shaft,Gear,V-belt pulley,Timing pulley,Coupling,Chains,Sprocket,Agricultural gearbox,Gearbox/gear reducer,Ungrouped

SINGLE STAGE ROTARY PISTON VACUUM PUMP | ||
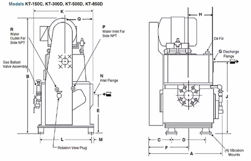
PP70 | KT150 | |
PP150 | KT300 | |
PP70B | KT150(there are differenets from shape and oil channel design) | |







2SK Single Double Stage Liquid Water-ring Vacuum Pump Boosters Roots Rotary Van Piston Pump Replace of Kinney's KLRC KT KMBD
Vacuum Pump VRD-30 Pumping Electric Water Ring 2 Stage High Pressure Hvac Prices Rotary Vane Mini Ac Liquid Value Oilless Sales
China Factory 150 L/s air Oil-free Screw Dry Rotary Piston Slide Dual Stage Rotary Vane Economy Valve Vacuum Pump for VPD
2H-150 Rotary Piston Type Vacuum Pump in Coating Machine
H150 Piston Type Vacuum Pump in Furnace Coating Machine
Rotary Piston Vacuum Pump 15kw H150 Factory Shanghai Kinney