Raydafon Technology Group Co.,Limited

Belt conveyor,RTO,Vacuum Pump,Machining Center,hydraulic cylinder,Motor,Agricultural parts,Air compressor,PTO shaft,Gear,V-belt pulley,Timing pulley,Coupling,Chains,Sprocket,Agricultural gearbox,Gearbox/gear reducer,Ungrouped

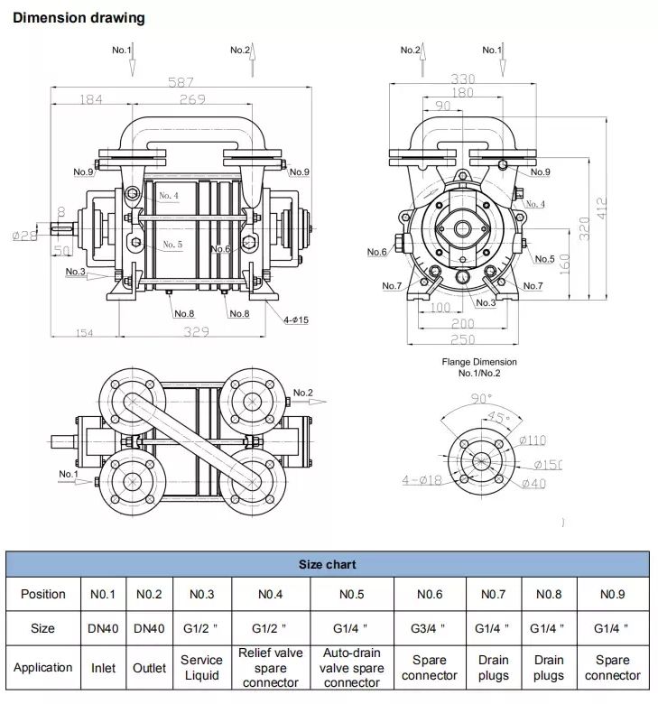
SK Series Double Stages Liquid Ring Vacuum Pumps with High Capacity for Filtration/Package Machine

SK Series Double Stages Liquid Ring Vacuum Pumps with High Capacity for Filtration/Package Machine

#detail_decorate_root .magic-0{width:750px}#detail_decorate_root .magic-1{overflow:hidden;width:750px;height:421.875px;margin-top:0;margin-bottom:0;margin-left:0;margin-right:0}#detail_decorate_root .magic-2{margin-top:0;margin-left:0;width:750px;height:421.875px}#detail_decorate_root .magic-3{borde......Keywords:Sk Series Double Stages Liquid Ring Vacuum Pumps With High Capacity For Filtration/package Machine - Buy Sk Series Liquid Ring Vacuum Pumps,Double Stages Liquid Ring Vacuum Pumps,Liquid Ring Vacuum Pumps For Filtration/package Machine Product on CMN Industry Inc

Send Inquiry

Product Description

SK Series Double Stages Liquid Ring Vacuum Pumps with High Capacity for Filtration/Package Machine

SK Series Liquid(Water) Ring Vacuum Pump

A liquid ring vacuum pump is a rotating positive-displacement pump. They’re ordinarily made use of a vacuum pump but can also be used as a fuel compressor. The function of a liquid ring pump is equivalent to a rotary vane pump, with the distinction becoming that the vanes are an integral part of the rotor and churn a rotating ring of liquid to kind the compression-chamber seal. They may be an inherently low-friction design, with the rotor remaining the sole moving aspect. Sliding friction is restricted towards the shaft seals. An induction motor typically powers liquid ring pumps.

The liquid ring vacuum pump compresses gas by rotating a cylindrical casing, which is eccentric. Liquid (typically water) is fed into the pump and, by centrifugal acceleration, kinds a moving cylindrical ring against the inside of the case. This liquid ring creates a series of seals inside the space concerning the impeller vanes, a type of compression chamber. The eccentricity concerning the impeller’s axis of rotation and the casing geometric axis results in a cyclic variation in the volume enclosed through the vanes plus the ring.

*Features
With compact structure and easy to repair.
It has a wide range of applications. It can pump all kinds of gases containing water vapor, flammable, explosive, a small amount
of dust and a small amount of liquid.
The main working medium is water, and the maintenance cost is low.
Able to work in harsh environment.


*Applications
SK series water/liquid ring vacuum pump and compressor are widely used in machinery, petrochemical, pharmaceutical, food, sugar, and electronic fields. In the working process, the gas compression process is constant temperature, so the compression and suction of explosive gas are not prone to explosion risk, so the use of a broader range.
SK Series Double Stages Liquid Ring Vacuum Pumps with High Capacity for Filtration/Package Machine
SK Series Double Stages Liquid Ring Vacuum Pumps with High Capacity for Filtration/Package Machine
SK Series Double Stages Liquid Ring Vacuum Pumps with High Capacity for Filtration/Package Machine
SK Series Double Stages Liquid Ring Vacuum Pumps with High Capacity for Filtration/Package Machine
SK Series Double Stages Liquid Ring Vacuum Pumps with High Capacity for Filtration/Package Machine
Q: Are you trading company or manufacturer ? A: Our group consists in 3 factories and 2 abroad sales corporations. Q: Do you provide samples ? is it free or extra ? A: Yes, we could offer the sample for free charge but do not pay the cost of freight. Q: How long is your delivery time ? What is your terms of payment ? A: Generally it is 40-45 days. The time may vary depending on the product and the level of customization. For standard products, the payment is: 30% T/T in advance ,balance before shippment. Q: What is the exact MOQ or price for your product ? A: As an OEM company, we can provide and adapt our products to a wide range of needs.Thus, MOQ and price may greatly vary with size, material and further specifications; For instance, costly products or standard products will usually have a lower MOQ. Please contact us with all relevant details to get the most accurate quotation. If you have another question, please feel free to contact us.
FOR MORE DETAIL, PLEASE CONTACT US.
SK Series Double Stages Liquid Ring Vacuum Pumps with High Capacity for Filtration/Package Machine

Product Tag

Buyer Services
How to buy
Browse by catagories
Browse by Companies
B2B Articles
Seller Services
How to sell
Trade Opportunities
Post Products
Manage Products
Services
Latest Souring Requests
Product Update
China Suppliers Mobile Site
About
About us
Link to us
Contact us
Site map