Raydafon Technology Group Co.,Limited

Belt conveyor,RTO,Vacuum Pump,Machining Center,hydraulic cylinder,Motor,Agricultural parts,Air compressor,PTO shaft,Gear,V-belt pulley,Timing pulley,Coupling,Chains,Sprocket,Agricultural gearbox,Gearbox/gear reducer,Ungrouped

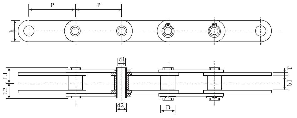
SSC2060HHP Stainless Steel Transmission Chains Hollow Pin and Sprockets for Restaurant Industries

SSC2060HHP Stainless Steel Transmission Chains Hollow Pin and Sprockets for Restaurant Industries

#detail_decorate_root .magic-0{border-bottom-style:solid;border-bottom-color:#53647a;font-family:Roboto;font-size:24px;color:#53647a;font-style:normal;border-bottom-width:2px;padding-top:8px;padding-bottom:4px}#detail_decorate_root .magic-1{width:750px}#detail_decorate_root .magic-2{overflow:hidden;......Keywords:Ssc2060hhp Stainless Steel Transmission Chains Hollow Pin And Sprockets For Restaurant Industries - Buy 1 Year Warranty Roller Chain Nonstandard Roller Chain In Steel Iso9001 Certified Roller Chain Customizable Stainless Steel Chain Product on CMN Industry Inc

Send Inquiry

Product Description

SSC2060HHP Stainless Steel Transmission Chains Hollow Pin and Sprockets for Restaurant Industries
Advantages of Stainless Steel Hollow Pin Chain
Stainless Steel Hollow Pin Chain
Versatility: The hollow pins allow for the insertion of various types of attachments or rods. This versatility makes the chain adaptable to a wide range of applications.
Corrosion Resistance: Stainless steel offers excellent resistance to corrosion, making it ideal for use in environments exposed to moisture, chemicals, and extreme temperatures.
Lightweight: Compared to solid pin chains, hollow pin chains are often lighter, reducing the load on bearings and drive
components.
Easy Attachment Modification: The hollow pins allow for easy modification of the chain by simply inserting or removing
attachments.
Cost-Effective: In many applications, the hollow pin design can be more cost-effective than using solid pins, especially when considering the potential for customization.

SSC2060HHP Stainless Steel Transmission Chains Hollow Pin and Sprockets for Restaurant Industries
SSC2060HHP Stainless Steel Transmission Chains Hollow Pin and Sprockets for Restaurant Industries
Applications of Stainless Steel Hollow Pin Chain
Food Processing: Conveying food products through processing lines.
Hanging products for curing or smoking.
Guiding products through packaging machines.
Stainless Steel Hollow Pin Chain used in a food processing plant

Pharmaceutical: Conveying pharmaceutical products and medical devices.
Handling delicate products in sterile environments.

Chemical Processing: Handling corrosive substances in chemical plants.

Textile Industry: Guiding fabrics through weaving and finishing processes.

General Industry: Conveying small parts and components.
Used in assembly lines for various products.

Agricultural: Conveying agricultural products like fruits and vegetables.

SSC2060HHP Stainless Steel Transmission Chains Hollow Pin and Sprockets for Restaurant Industries
We also provide sprockets:https://planetary-gearboxes.en.alibaba.com/productgrouplist-201319116/Sprocket.html?spm=a2700.shop_index.88.84.43866ac7j6WaaJ
SSC2060HHP Stainless Steel Transmission Chains Hollow Pin and Sprockets for Restaurant Industries
EVER POWER was founded in 2006, Which is specialize in producing stainless steel chain, sprocket. As a member of the Chinese Chain Drive Standardization Technical Committee and General Parts Industry Association of Chain Drive, our products strictly conform to the ISO606&ANSI standard,which are widely used in food, chemical, window open and water- treatment industry field. We are looking forward to cooperate with you on mutual benefit.
SSC2060HHP Stainless Steel Transmission Chains Hollow Pin and Sprockets for Restaurant Industries
SSC2060HHP Stainless Steel Transmission Chains Hollow Pin and Sprockets for Restaurant Industries
Q: Are you trading company or manufacturer ?
A: Our group consists in 3 factories and 2 abroad sales corporations.
Q: Do you provide samples ? is it free or extra ?
A: Yes, we could offer the sample for free charge but do not pay the cost of freight.
Q:How long is your delivery time ? What is your terms of payment ?
A: Generally it is 40-45 days. The time may vary depending on the product and the level of customization. For standard products, the payment is: 30% T/T in advance ,balance before shippment.
Q:What is the exact MOQ or price for your product ?
A: As an OEM company, we can provide and adapt our products to a wide range of needs.Thus, MOQ and price may greatly vary with size, material and further specifications; For instance, costly products or standard products will usually have a lower MOQ. Please contact us with all relevant details to get the most accurate quotation.

If you have another question, please feel free to contact us.
SSC2060HHP Stainless Steel Transmission Chains Hollow Pin and Sprockets for Restaurant Industries
Also I would like to take this opportunity to give a brief introduction of our Ever-Power company: Our company is a famous
manufacturer of agriculture gearbox,worm reduce gearbox, PTO shafts, Sprockets ,rollar chains, bevel gear, pulleys and racks in
china. We have exported many products to our customers all over the world, we have long-time experience and strong technology
support. Some of our customer : Italy: GB GEABOX, SATI, CHIARAVALLI, AMA, Brevini Germany: SILOKING ,GKN ,KTS France: Itfran,
Sedies, Kuhn Brazil: AEMCO ,STU USA: John Deere , BLOUNT, Weasler, Agco, Omni Gear, WOODS Canada: JAY-LOR , CANIMEX ,RingBall
...... -> Our Company with over twelve year's history and 1000 workers and 20 sales. -> With over 100 Million USD sales in 2017 ->
With advance machinery equipments -> With large work capacity and high quality control, ISO certified. ...... you also can check
our website to know for more details, if you need our products catalogue, please contact with us.
FOR MORE DETAIL, PLEASE CONTACT US.
SSC2060HHP Stainless Steel Transmission Chains Hollow Pin and Sprockets for Restaurant Industries

Product Tag

Buyer Services
How to buy
Browse by catagories
Browse by Companies
B2B Articles
Seller Services
How to sell
Trade Opportunities
Post Products
Manage Products
Services
Latest Souring Requests
Product Update
China Suppliers Mobile Site
About
About us
Link to us
Contact us
Site map