Raydafon Technology Group Co.,Limited

Belt conveyor,RTO,Vacuum Pump,Machining Center,hydraulic cylinder,Motor,Agricultural parts,Air compressor,PTO shaft,Gear,V-belt pulley,Timing pulley,Coupling,Chains,Sprocket,Agricultural gearbox,Gearbox/gear reducer,Ungrouped

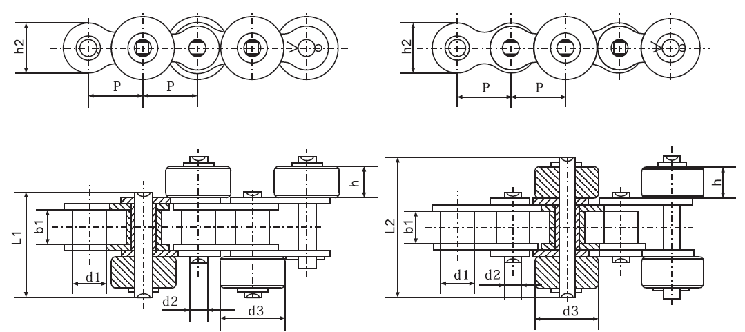
SSSR100 Stainless Steel Short Pitch Roller Conveyor Chain with Side Mounted Large Roller and Sprockets in Steel

SSSR100 Stainless Steel Short Pitch Roller Conveyor Chain with Side Mounted Large Roller and Sprockets in Steel

#detail_decorate_root .magic-0{border-bottom-style:solid;border-bottom-color:#53647a;font-family:Roboto;font-size:24px;color:#53647a;font-style:normal;border-bottom-width:2px;padding-top:8px;padding-bottom:4px}#detail_decorate_root .magic-1{width:750px}#detail_decorate_root .magic-2{overflow:hidden;......Keywords:Sssr100 Stainless Steel Short Pitch Roller Conveyor Chain With Side Mounted Large Roller And Sprockets In Steel - Buy Stainless Steel Side Roller Chain Product on CMN Industry Inc

Send Inquiry

Product Description

SSSR100 Stainless Steel Short Pitch Roller Conveyor Chain with Side Mounted Large Roller and Sprockets in Steel
Advantages of Stainless Steel Side Roller Chain
Enhanced Strength: The side rollers provide additional support to the chain links, significantly increasing the chain's overall strength and load-carrying capacity.
Improved Stability: The side rollers contribute to greater stability, reducing the risk of chain derailment or slack.
Reduced Vibration: The side rollers help to dampen vibrations, resulting in quieter and smoother operation.
Corrosion Resistance: Stainless steel construction offers excellent resistance to corrosion, making it ideal for applications in harsh environments, such as food processing, chemical processing, and marine industries.
Durability: Stainless steel side roller chains are highly durable and can withstand wear and tear, extending their service
life.
Versatility: The side rollers can be customized to suit specific applications, such as providing guidance or supporting
additional components.

SSSR100 Stainless Steel Short Pitch Roller Conveyor Chain with Side Mounted Large Roller and Sprockets in Steel
SSSR100 Stainless Steel Short Pitch Roller Conveyor Chain with Side Mounted Large Roller and Sprockets in Steel
Applications of Stainless Steel Side Roller Chain
Due to its unique design and properties, stainless steel side roller chain finds applications in a wide range of industries:
Conveying: Transporting heavy loads over long distances, especially in applications where precise alignment and stability are critical.
Power Transmission: Transferring power between mechanical components in heavy-duty machinery.
Indexing: Precisely positioning components in automated systems.
Lifting: Lifting heavy loads, particularly in applications where the load may be unevenly distributed.
Dragging: Pulling heavy loads over surfaces.
Anchoring: Securing objects in place.

SSSR100 Stainless Steel Short Pitch Roller Conveyor Chain with Side Mounted Large Roller and Sprockets in Steel
We also provide sprockets:https://planetary-gearboxes.en.alibaba.com/productgrouplist-201319116/Sprocket.html?spm=a2700.shop_index.88.84.43866ac7j6WaaJ
SSSR100 Stainless Steel Short Pitch Roller Conveyor Chain with Side Mounted Large Roller and Sprockets in Steel
EVER POWER was founded in 2006, Which is specialize in producing stainless steel chain, sprocket. As a member of the Chinese Chain Drive Standardization Technical Committee and General Parts Industry Association of Chain Drive, our products strictly conform to the ISO606&ANSI standard,which are widely used in food, chemical, window open and water- treatment industry field. We are looking forward to cooperate with you on mutual benefit.
SSSR100 Stainless Steel Short Pitch Roller Conveyor Chain with Side Mounted Large Roller and Sprockets in Steel
SSSR100 Stainless Steel Short Pitch Roller Conveyor Chain with Side Mounted Large Roller and Sprockets in Steel
Q: Are you trading company or manufacturer ?
A: Our group consists in 3 factories and 2 abroad sales corporations.
Q: Do you provide samples ? is it free or extra ?
A: Yes, we could offer the sample for free charge but do not pay the cost of freight.
Q:How long is your delivery time ? What is your terms of payment ?
A: Generally it is 40-45 days. The time may vary depending on the product and the level of customization. For standard products, the payment is: 30% T/T in advance ,balance before shippment.
Q:What is the exact MOQ or price for your product ?
A: As an OEM company, we can provide and adapt our products to a wide range of needs.Thus, MOQ and price may greatly vary with size, material and further specifications; For instance, costly products or standard products will usually have a lower MOQ. Please contact us with all relevant details to get the most accurate quotation.

If you have another question, please feel free to contact us.
SSSR100 Stainless Steel Short Pitch Roller Conveyor Chain with Side Mounted Large Roller and Sprockets in Steel
Also I would like to take this opportunity to give a brief introduction of our Ever-Power company: Our company is a famous
manufacturer of agriculture gearbox,worm reduce gearbox, PTO shafts, Sprockets ,rollar chains, bevel gear, pulleys and racks in
china. We have exported many products to our customers all over the world, we have long-time experience and strong technology
support. Some of our customer : Italy: GB GEABOX, SATI, CHIARAVALLI, AMA, Brevini Germany: SILOKING ,GKN ,KTS France: Itfran,
Sedies, Kuhn Brazil: AEMCO ,STU USA: John Deere , BLOUNT, Weasler, Agco, Omni Gear, WOODS Canada: JAY-LOR , CANIMEX ,RingBall
...... -> Our Company with over twelve year's history and 1000 workers and 20 sales. -> With over 100 Million USD sales in 2017 ->
With advance machinery equipments -> With large work capacity and high quality control, ISO certified. ...... you also can check
our website to know for more details, if you need our products catalogue, please contact with us.
FOR MORE DETAIL, PLEASE CONTACT US.
SSSR100 Stainless Steel Short Pitch Roller Conveyor Chain with Side Mounted Large Roller and Sprockets in Steel

Product Tag

Buyer Services
How to buy
Browse by catagories
Browse by Companies
B2B Articles
Seller Services
How to sell
Trade Opportunities
Post Products
Manage Products
Services
Latest Souring Requests
Product Update
China Suppliers Mobile Site
About
About us
Link to us
Contact us
Site map