Belt conveyor,RTO,Vacuum Pump,Machining Center,hydraulic cylinder,Motor,Agricultural parts,Air compressor,PTO shaft,Gear,V-belt pulley,Timing pulley,Coupling,Chains,Sprocket,Agricultural gearbox,Gearbox/gear reducer,Ungrouped
Grid Coupling Manufacturer - T20 Type
JS type Grid coupling
1.OEM
2. ISO9001-2000
3.Replaced with Falk
JS type Grid coupling
1.Double rolling chains are GB standard chain.
2.The cover size is designed by your requirement .
3.High transfer efficiency and safety starting .transfer efficiency can attach to 99.5%
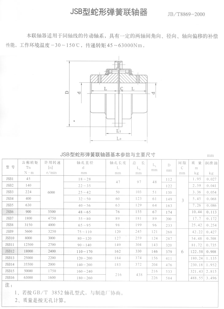
JS Grid Couplings, an advanced structure of the metal flexible coupling. It rely on the serpentine spring to transmit torque. Its transmissioncharacteristics and advantages are as follows:
1, the damping resistance, long life axial coupling serpentine spring embedded in the two and a half more than 36%. Trapezoidal cross section of the serpentine spring using high-quality spring steel, strict heat treatment, and special processing, good mechanical properties(such as flexible, so that the coupling of life than non-metallic flexible element coupling pins, nylon rod pin coupling) increases exponentially.
2, exposed to changes in load range, starting safety, two half-coupling and reed contact tooth surface is curved, when the transmission torque increases, the spring will be deformed along the tooth arc, so that two and a half coupling force acting on the reed near the point.Reed with the tooth surface contact point, the torque change is to change with the size of the torque transmission, the transmissioncharacteristics of variable stiffness. So that it has than the average elastic coupling can withstand a greater amount of load changes.Transmission force of the reed deformation along the tooth arc of the buffering effect, particularly at the start of the machine or a strongimpact load at a certain extent, protect the safety of the supporting parts.
3, high transmission efficiency, reliable operation, the transmission efficiency of the coupling, through the determination of 99.47%, theshort-time overload capacity of twice the rated torque, the safe operation reliable.
4, low noise, good lubrication of aluminum alloy casing to protect the spring to avoid running out thrown within the shell stocked withbutter, not only the well-oiled, and the reed meshing noise, the butter damping to eliminate.
Simple structure, fewer parts, easy assembly and disassembly machine, small size, light weight, is designed into the spring oftrapezoidal cross-section with trapezoidal alveolar agreement is particularly close, so that the assembly and disassembly, maintenancesimple than the general coupling .
6, which allows large misalignment due to the spring and the teeth arc is the point of contact, so that the coupling can be large flexible. It can be installed at the same time, radial, angular, axial deviation.


| Packaging Details: | standard export packing and wood pallets packing |
| Delivery Detail: | 7-10 working days |
1.E-catalogue avaliable
2.OEM & ODM accept
3.Shipping port TIANJIN Port
4.Production Time usually in 25-30 days
5.Sample available by freight collect
7.Payment Terms T/T or paypal
8.Small order accepted
9. After-sales service: Always ask the customer, tracking service
10.Sales Service: Profession ;Quality Control: Strict ;Logistics Service: Speed
Company:Hebei Anshu Langsheng Machinery Technology Co., Ltd
Address: 868 Construction Street, Jizhou, Hebei, China (Mainland)
Tel: 0086-318-6176965
Fax: 0086-318-6176966

1. Q: Manufacturer ?
A: Yes, professional factory in China
2. Q: Which area have you exported to ?
A: Europe, America, Africa, Asia, South America and Australia
3. Q: Any advantage ?
A: The Production area more than 4000 square meters, and 35 sets production equipments. We can supply the one-stop service from machining to welding
Aluminium Rubber Cushion Type H Flexible Coupling Customizable OEM Support
FCL Coupling Pin and Bush Coupling for Motor and Gearbox
Aluminium 90-630 FCL Pin Bush Coupling Rigid Gearbox and Motor Adapter with OEM Customization
High Quality OEM Customizable Flexible NM Coupling for Pumps Aluminium and Rubber Material
Aluminium Rigid Tyre Coupling
Djm Flexible Stainless Steel Disc Coupling Shaft Torsionally Rigid Plate Elastic Single Double Spacer Diaphragm Coupling