We Also Supply PTO Shafts
If you also need the PTO axis, click here:https://hzpt.com/agricultural-pto-shaft/
Belt conveyor,RTO,Vacuum Pump,Machining Center,hydraulic cylinder,Motor,Agricultural parts,Air compressor,PTO shaft,Gear,V-belt pulley,Timing pulley,Coupling,Chains,Sprocket,Agricultural gearbox,Gearbox/gear reducer,Ungrouped


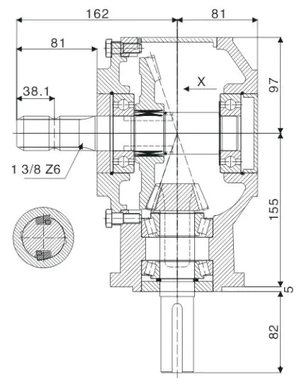
ITEM | HC-9.311 Rotary Tiller Gearbox |
Ratio | 1:3 |
Teeth | 36/12 |
Module | 4.35 |
Power(HP) | 50 |
Rated Input | 540rpm |
Input/Output Description | 1 3/8 Z6 Optic axis/Optic axis |
Weight(N.W) | 21KG |




Click here for more details! |
Please click on the photos below to visit their websites.




