Belt conveyor,RTO,Vacuum Pump,Machining Center,hydraulic cylinder,Motor,Agricultural parts,Air compressor,PTO shaft,Gear,V-belt pulley,Timing pulley,Coupling,Chains,Sprocket,Agricultural gearbox,Gearbox/gear reducer,Ungrouped





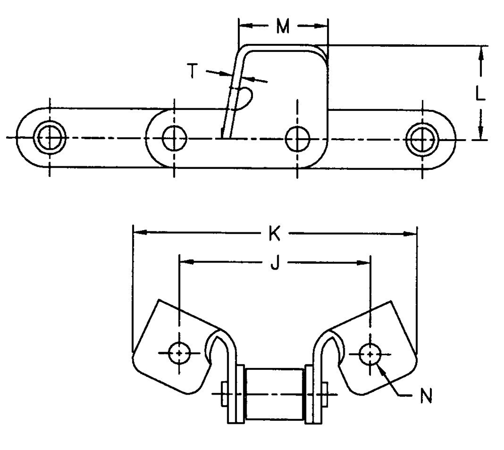
Att. No. | Chain No. | J | K | L | M | N | R | T | S |
F13 | CA550HD | 3.125 | 5.346 | 2.332 | 1.600 | .344 | 1.125 | .125 | 35° |
F15 | CA550HD | 5.280 | 8.020 | 3.673 | 1.125 | .344 | 2.063 | 1.250 | 40° |
F15M | CA550HD | 5.280 | 8.020 | 3.673 | 1.125 | .406 | 2.063 | 1.250 | 40° |
F16 | CA550HD | 3.125 | 4.320 | 1.970 | 1.350 | .328 | 1.125 | .125 | 22° |
Please click on the photos below to visit their websites.





We can accept a variety of payment.
1) TT, 30% deposit , 70% before shippment.
2) L/C at sight. (high bank charge, not suggest , but acceptable )
3) 100% Western Union in advance. (specially for air shipment or small amoun)
4) Small order by paypal.
China Professional Wholesale Price High Precision High Strength High Wear Resistance Stainless Steel Transmission Chains
CA2060-C6E CA2060H-C6E CA550V-C6EF1 Agricultural Steel Conveyor CA2060 Roller Chains With Attachment
Stainless Steel Double Plus Chains (Accumulation Chain)
Alloy Roller Chain for Machinery Parts Transmission Stainless Steel Hollow Pin Chains
MC Series MC28 MC56 MC112 MC224 Hollow Pin Conveyor Steel Chains
Manufacturer Custom High Quality Stainless Steel Pintle Chain Zinc Plated Welded Engineering Chains Plain Finish